+7 (912)-751-33-24Заказать звонок
Заказать звонок

Оставьте Ваше сообщение и контактные данные и наши специалисты свяжутся с Вами в ближайшее рабочее время для решения Вашего вопроса.

Ваш телефон
Ваш телефон*
Ваше имя
Ваше имя

* - Поля, обязательные для заполнения

Сообщение отправлено
Ваше сообщение успешно отправлено. В ближайшее время с Вами свяжется наш специалист
Закрыть окно
arbatex@list.ru
Каталог товаров
Подписка на новости магазина

Подпишитесь на рассылку и получайте свежие новости и акции нашего магазина.

Описание товара:

Трансформатор ТА262-220-50 осуществляет преобразование переменного напряжения и/или гальваническую развязку в самых различных областях применения - электроэнергетике, электронике и радиотехнике.
1 200 руб. / шт Цена не является конечной и требует уточнения у менеджера.
Загрузка
Рассчитываем стоимость доставки
Пожалуйста подождите, рассчет займет немного времени

Описание товара

Описание


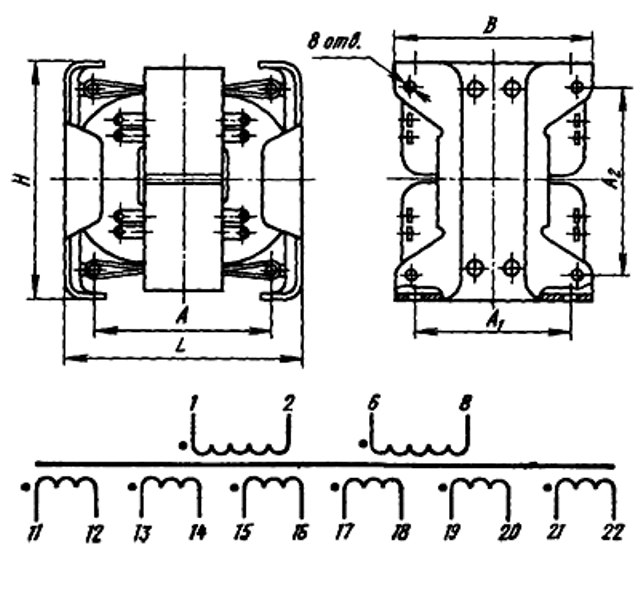
Трансформатор ТА262-220-50 — это статическое электромагнитное устройство, имеющее две или более индуктивно связанные обмотки на каком-либо магнитопроводе и предназначенное для преобразования посредством электромагнитной индукции одной или нескольких систем (напряжений) переменного тока в одну или несколько других систем (напряжений), без изменения частоты.

Трансформатор ТА262-220-50 осуществляет преобразование переменного напряжения и/или гальваническую развязку в самых различных областях применения — электроэнергетике, электронике и радиотехнике.

Параметры и характеристики:


Трансформаторы анодные ТА262-220-50 предназначены для работы в электрических источниках питания радиоэлектронной аппаратуры, изготавливаемой на электровакуумных и полупроводниковых приборах при напряжениях сети 220 В частотой 50Гц.
Трансформаторы анодные типа ТА изготавливают на стержневых и броневых магнитопроводах унифицированной конструкции, мощностью от 12 до 510 В*А с выходным напряжением 28...1260 В на токи нагрузки 25...1000 мА.
Последовательным или  параллельным соединением обмоток обеспечивают различные сочетания токов и напряжений.
Изготавливаются во всеклиматическом исполнении и для эксплуатации в районах с умеренно-холодным климатом по ГОСТ В 20.39.404-81.
Технические условия: ОЮ0.471.001 ТУ.

Основные технические характеристики трансформаторов типа ТА с частотой сети 50 Гц:
• Номинальная мощность ...... от 12 до 510 В*А;
• Напряжение питания сети ...... 220 В;
• Выходные напряжения ...... от 28 до 1260 В;
• Токи вторичных обмоток в номинальном режиме ...... от 25 до 1000 мА;
• Количество обмоток ...... от 2 до 7 шт;
• Коэффициент полезного действия ...... 70-85 %;
• Минимальная наработка ...... 12000 часов;
• Срок сохраняемости ...... 15 лет;
• Температура окружающей среды ...... -60...+85 °С;
• Относительная влажность воздуха при температуре +40 °С ...... 98 %;
• Габаритные размеры ...... от 65х68х72 до 103х165х139 мм;
• Масса ...... от 750 до 7300 г.
Добавить отзыв
Ваша оценка:
Отправить отзыв

Похожие товары (8)

1 200 руб. / шт Цена не является конечной и требует уточнения у менеджера.
ТА262-127/220-50В
Задать вопрос

Ваше имя*
Контактный телефон*
E-mail
Вопрос*

* - Поля, обязательные для заполнения

Сообщение отправлено
Ваше сообщение успешно отправлено. В ближайшее время с Вами свяжется наш специалист
Закрыть окно
Купить в один клик
Заполните данные для заказа
Запросить стоимость товара
Заполните данные для запроса цены
Запросить цену Запросить цену