+7 (912)-751-33-24Заказать звонок
Заказать звонок

Оставьте Ваше сообщение и контактные данные и наши специалисты свяжутся с Вами в ближайшее рабочее время для решения Вашего вопроса.

Ваш телефон
Ваш телефон*
Ваше имя
Ваше имя

* - Поля, обязательные для заполнения

Сообщение отправлено
Ваше сообщение успешно отправлено. В ближайшее время с Вами свяжется наш специалист
Закрыть окно
arbatex@list.ru
Каталог товаров
Подписка на новости магазина

Подпишитесь на рассылку и получайте свежие новости и акции нашего магазина.

Описание товара:

Силовой модуль МТТ8/3-160-10 применяется в выпрямительных мостах, в регуляторах переменного тока, для управления двигателем постоянного тока, электротехнической аппаратуре.
1 950 руб. / шт Цена не является конечной и требует уточнения у менеджера.
Загрузка
Рассчитываем стоимость доставки
Пожалуйста подождите, рассчет займет немного времени

Описание товара

Описание силового модуля МТТ8/3-160-10


К преимуществам силового модуля МТТ8/3-160-10 относят возможность компоновки в одном корпусе силовых кристаллов, систем управления и датчиков, что значительно повышает как эффективность использования пространства, так и универсальность самого узла.
У МТТ8/3-160-10 силовые и управляющие выводы изолированы от металлического основания.
Также у силового модуля МТТ8/3-160-10 тепло от элементов отводится через керамический изолятор и металлическое основание.
Применяется МТТ8/3-160-10 в выпрямительных мостах, в регуляторах переменного тока, для управления двигателем постоянного тока, электротехнической аппаратуре.

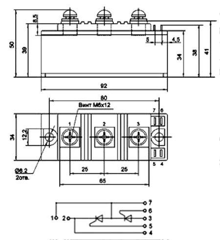
Параметры и характеристики силового модуля МТТ8/3-160-10:


МТТ8/3-160-10
Модуль тиристорный низкочастотный.
Предназначен для работы в цепях переменного и постоянного тока различных силовых электротехнических установок при  частоте до 500 Гц.
Максимально допустимый средний прямой ток - 160А
Повторяющееся импульсное обратное напряжение - 1000В
Длина - 94 мм
Ширина - 34 мм
Высота - 31 мм




Варианты поиска:
МТТ8/3-160-10 силовой модуль, силовой модуль МТТ8/3-160-10, купить МТТ8/3-160-10 по низкой цене, МТТ8/3-160-10 цена, описание МТТ8/3-160-10, МТТ8/3-160-10
Добавить отзыв
Ваша оценка:
Отправить отзыв

Похожие товары (8)

1 950 руб. / шт Цена не является конечной и требует уточнения у менеджера.
МТТ8/3-160-10 силовой модуль
Задать вопрос

Ваше имя*
Контактный телефон*
E-mail
Вопрос*

* - Поля, обязательные для заполнения

Сообщение отправлено
Ваше сообщение успешно отправлено. В ближайшее время с Вами свяжется наш специалист
Закрыть окно
Купить в один клик
Заполните данные для заказа
Запросить стоимость товара
Заполните данные для запроса цены
Запросить цену Запросить цену