+7 (912)-751-33-24Заказать звонок
Заказать звонок

Оставьте Ваше сообщение и контактные данные и наши специалисты свяжутся с Вами в ближайшее рабочее время для решения Вашего вопроса.

Ваш телефон
Ваш телефон*
Ваше имя
Ваше имя

* - Поля, обязательные для заполнения

Сообщение отправлено
Ваше сообщение успешно отправлено. В ближайшее время с Вами свяжется наш специалист
Закрыть окно
arbatex@list.ru
Каталог товаров
Подписка на новости магазина

Подпишитесь на рассылку и получайте свежие новости и акции нашего магазина.

Описание товара:

Контактные сельсины CC-454 выполнены в соответствии с асинхронными электродвигателями с ротором небольшой мощности. Статор сельсина CC-454 не явнополюсной, обмотки— распределенные.
Характеристики:
Напряжение, В
220±11
1 040 руб. / шт Цена не является конечной и требует уточнения у менеджера.
В наличииВ наличии
Загрузка
Рассчитываем стоимость доставки
Пожалуйста подождите, рассчет займет немного времени

Описание товара

Описание сельсина СС-454:


Контактные сельсины CC-454 выполнены в соответствии с асинхронными электродвигателями с ротором небольшой мощности. Статор сельсина CC-454 не явнополюсной, обмотки— распределенные.
Обмотка возбуждения находится на роторе, подключение тока осуществляется через пару контактных колец. Сельсин СС-454 относится к группе контактных сельсинов (работают со скользящими контактами). Такой принцип работы уменьшает срок службы этих сельсинов.
Сельсин СС-454 работает от напряжения 110В. При подаче напряжения на контактный сельсин, происходит вращение вала. Эти сельсины имеют три обмотки синхронизации и одинаковую обмотку возбуждения. Контактные сельсины СС-454 имеют также меньший вес, в отличии от безконтактных сельсинов, так как у них меньшие воздушные зазоры.
Место расположение обмоток на сельсинах СС-454 не влияет на их принцип работы, однако самым распространенным является расположение обмотки на роторе.

ХАРАКТЕРИСТИКИ СЕЛЬСИНА СС-454:


Напряжение питания - 220В±11В;
Частота питающей сети - 500Гц±15Гц;
Потребляемая мощь, не более - 11Вт;
Потребляемый ток, не более - 0,315А;
Масса, не более - 0,8кг;

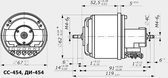
Габаритные размеры:


- длина - 119мм;
- диаметр - 67мм.


Вар-ты поиска:
СС-454, СС454, сельсин СС-454, СС-454, сельсин СС-454, СС454, сельсин СС454, СС*454, СС/454, цена СС-454, цена сельсина СС-454, СС-454 кл.1

Характеристики

Прочие
Напряжение, В 220±11
Добавить отзыв
Ваша оценка:
Отправить отзыв

Похожие товары (8)

1 040 руб. / шт Цена не является конечной и требует уточнения у менеджера.
В наличииВ наличии
СС-454 сельсин
Задать вопрос

Ваше имя*
Контактный телефон*
E-mail
Вопрос*

* - Поля, обязательные для заполнения

Сообщение отправлено
Ваше сообщение успешно отправлено. В ближайшее время с Вами свяжется наш специалист
Закрыть окно
Купить в один клик
Заполните данные для заказа
Запросить стоимость товара
Заполните данные для запроса цены
Запросить цену Запросить цену