-
Предохранители
-
Сельсины
-
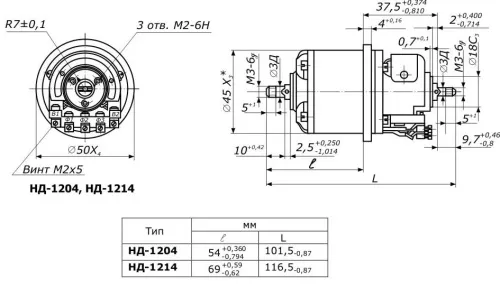
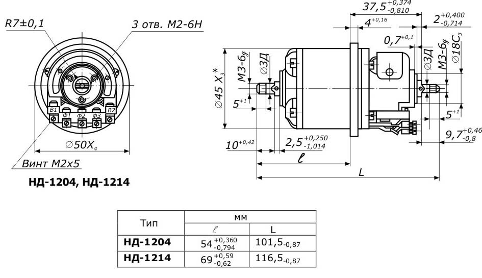
Вращающиеся трансформаторы
-
Диоды
-
Конденсаторы
-
Лампы и электровакуумные приборы
-
Логика
-
Микросхемы
-
Оптоэлектронные приборы, светодиоды, индикаторы
-
Переключатели, Кнопки, Тумблеры
-
Разъемы, Соединители
-
Резисторы
-
Реле
-
Силовые модули
-
Стабилитроны
-
Тиристоры
-
Транзисторы
-
Трансформаторы
-
Электродвигатели
Подпишитесь на рассылку и получайте свежие новости и акции нашего магазина.





