+7 (912)-751-33-24Заказать звонок
Заказать звонок

Оставьте Ваше сообщение и контактные данные и наши специалисты свяжутся с Вами в ближайшее рабочее время для решения Вашего вопроса.

Ваш телефон
Ваш телефон*
Ваше имя
Ваше имя

* - Поля, обязательные для заполнения

Сообщение отправлено
Ваше сообщение успешно отправлено. В ближайшее время с Вами свяжется наш специалист
Закрыть окно
arbatex@list.ru
Каталог товаров
Подписка на новости магазина

Подпишитесь на рассылку и получайте свежие новости и акции нашего магазина.

Описание товара:

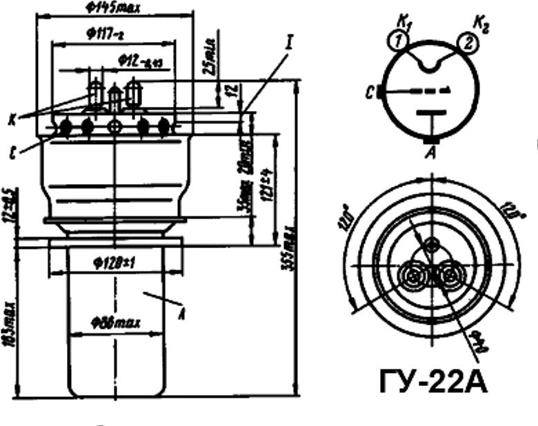
ГУ-22А генераторный триод относится к разделу электровакуумных приборов и ламп различного назначения. По конструкции генераторный триод состоит из вакуумно-герметичной, жесткой оболочки, внутри которой отсутствует кислород.
20 900 руб. / шт Цена не является конечной и требует уточнения у менеджера.
Загрузка
Рассчитываем стоимость доставки
Пожалуйста подождите, рассчет займет немного времени

Описание товара

Описание ГУ-22А


ГУ-22А генераторный триод относится к разделу электровакуумных приборов и ламп различного назначения.  По конструкции генераторный триод состоит из вакуумно-герметичной, жесткой оболочки, внутри которой отсутствует кислород.

Параметры и характеристики ГУ-22А:


ГУ-22А

Мощный генераторный триод ГУ-22А для работы в качестве усилителя или генератора высокочастотных колебаний на частотах до 26 Мгц в схемах с общей (заземленной) сеткой, а также в промышленных генераторах. Лампа может быть использована в схемах с нейтрализацией.

Оформление - металлостеклянное.

Рабочее положение - вертикальное.

Охлаждение - принудительное:

  - анода - водяное не менее 50 л/мин

  - ножки - воздушное не менее 60 м3/ч

  - мест спая металла со стеклом - воздушное не менее 30 м3/ч.

Масса 5 кг.

Долговечность - не менее 1000 ч.

Технические условия: СБ3.314.014 ТУ1.


Основные технические параметры ГУ-22А:
при uн=8,3 В, uа=5 кВ, iа=2 А
Ток накала

150 ±10 А

Ток анода (при uс=0)

1,7 ±0,6 А

Ток анода ионный (при uа= -0,5 кВ, iс=3,5 А) 

не более 50 мкА

Обратный ток сетки (при uс= -300 В, uа=0) 

не более 300 мкА

Ток эмиссии катода (при uа=1 кВ) 

не менее 30 А

Крутизна характеристики

32 мА/В

Коэффициент усиления 

 50

Колебательная мощность 

не менее 50 Вт

Междуэлектродные емкости, пФ:

     - входная

не более 55

     - выходная

не более 45

     - проходная

не более 1,5


Предельные эксплуатационные характеристики:
Напряжение накала

7,8 - 8,3 В

Напряжение анода 

10 кВ

Напряжение анода при анодной модуляции (пиковое значение)

22 кВ

Мощность, рассеиваемая анодом

30 кВт

Мощность, рассеиваемая сеткой

600 Вт

Рабочая частота 

26 МГц 

Температура стекла баллона, ножки и мест спая металла со стеклом

150 С

Интервал рабочих температур окружающей среды

от +5 до +60 С 


Добавить отзыв
Ваша оценка:
Отправить отзыв

Похожие товары (8)

20 900 руб. / шт Цена не является конечной и требует уточнения у менеджера.
ГУ-22А генераторный триод
Задать вопрос

Ваше имя*
Контактный телефон*
E-mail
Вопрос*

* - Поля, обязательные для заполнения

Сообщение отправлено
Ваше сообщение успешно отправлено. В ближайшее время с Вами свяжется наш специалист
Закрыть окно
Купить в один клик
Заполните данные для заказа
Запросить стоимость товара
Заполните данные для запроса цены
Запросить цену Запросить цену